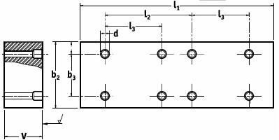
Fishplate Dimensions
We can supply different fishplate according your request. Like standard fishplate, thick fishplate, T fishplate and Seismic fishplate.
Different clients have different request of the size, we can produce as your request.

Dimensions displayed here is for standard fishplate only a brief version. If you want other fishplates' details, please contact us.
